
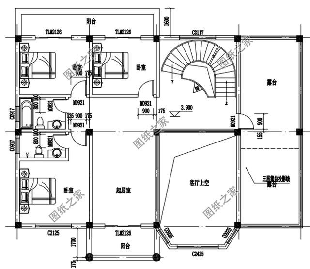
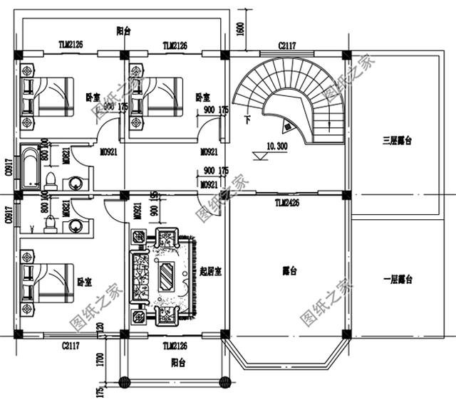
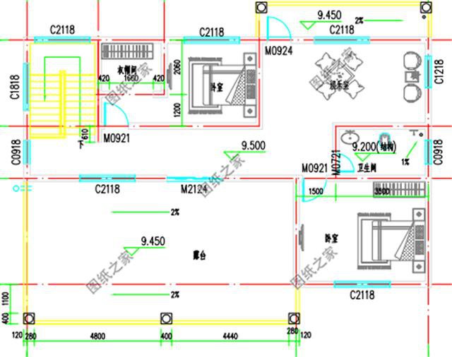
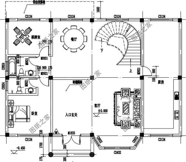
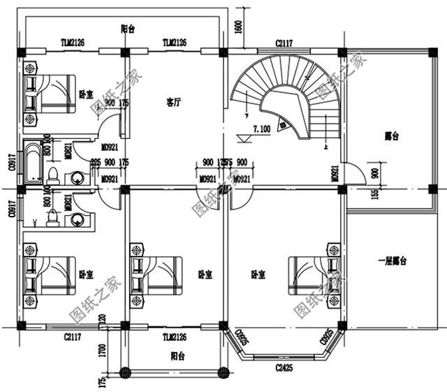
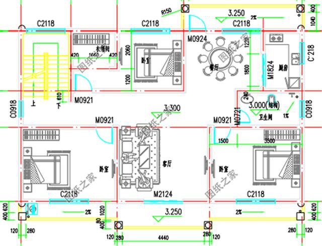
四層別墅圖一:2020農村四層樓房設計圖自建房農村四層樓房外形設計圖,一二三層分別設有廚房餐廳和客廳,一層外墻用深棕色的真石漆或瓷磚裝飾,二至四層外墻用白色的真石漆來涂裝,露臺和陽臺的欄桿柱子以少量白色真石漆加以修飾。 ![]() 占地面積:15.2m*9.26m,146平方米左右; 建筑層高:四層; 建筑高度:14.17米(含屋頂); 設計功能: 一層戶型展示:客廳、餐廳、廚房、臥室、衛生間、儲藏室、雜物間; 二層戶型展示:廚房、餐廳、客廳、主臥(帶衣帽間)、臥室×2、衛生間、陽臺; 三層戶型展示:廚房、餐廳、客廳、主臥(帶衣帽間)、臥室×2、衛生間、陽臺; 四層戶型展示:主臥(帶衣帽間)、娛樂室、衛生間、露臺; ![]() ![]() ![]() ![]() 四層別墅圖二:四層豪華簡歐風格自建房屋設計圖四層豪簡歐風格的自建房屋造型,客廳中空,旋轉樓梯,二三四層都帶有露臺,滿足日常活動的需求,這樣農村自建房蓋得高端大氣上檔次像個小洋樓,倍兒有面。 ![]() 占地面積:16.7m*11.2m,190平方米左右; 建筑層高:四層; 建筑高度:16.8米(含屋頂); 設計功能: 一層戶型展示:客廳、餐廳、廚房、臥室(帶衛生間)、棋牌室、衛生間; 二層戶型展示:客廳上空、起居室、臥室(帶衛生間)、臥室x2;衛生間、露臺; 三層戶型展示:客廳、臥室(帶衛生間)、臥室x3、公衛、露臺; 四層戶型展示:起居室、臥室(帶衛生間)、臥室x2、露臺; ![]() ![]() ![]() ![]() 以上這幾款農村普通四層自建房圖片,給大家建房做參考。
圖紙之家-專注農村別墅/自建房設計18年,集合國內200余位經驗豐富的設計師,被評為口碑最好的農村建筑設計公司! |

占地70平米一層小戶型別墅設計圖,功能齊全造價低,耐看實用
占地:70.19平方米
三層新農村住宅房屋設計圖,溫馨美觀的戶型
占地:180平方米
二層歐式小別墅設計方案,全套建筑設計圖紙+外觀效果圖
占地:146平方米
新農村小開間三層樓房設計圖,占地100平米左右
占地:多種戶型
農村三層別墅設計圖紙,造價50萬左右,中式風格,沉穩內斂
占地:160平方米
120平方兩層房子設計圖及圖片,外觀大方好看,內部結構合理
占地:120平方米
歐式新農村自建三層建筑施工設計圖紙及效果圖大全
占地:106平方米
農村新款二層中式別墅設計圖效果圖,帶堂屋設計
占地:144平方米
簡單的復式住宅設計圖,客廳挑高,帶外觀效果圖片
占地:148平方米
農村三層樓房設計圖三層別墅圖片,占地面積135平米
占地:135平方米
160平方米經典鄉村二層房屋設計圖紙
占地:160平方米
農村四間兩層別墅房屋設計圖,含外觀圖片
占地:160平方米
180平方農村二層別墅施工設計圖紙,15.8x11.7米
占地:180平方米
大開間小進深的一層別墅設計圖,進深僅8.7米,獨立餐廚照樣美觀
占地:130.32平方米
鄉村仿古一層別墅圖片及設計圖,經典實用,占地170平
占地:170平方米
鄉村簡約經濟型二層別墅設計圖紙(效果圖+全套施工方案)
占地:145平方米
160平方米三層帶大露臺的復式別墅設計圖紙
占地:155平方米
農村三層半別墅設計圖及外觀效果圖,三層半樓房設計方案推薦
占地:100平方米
經濟型實用歐式一層小樓房別墅平房設計圖,11X10米
占地:103平方米
農村自建房設計圖,三層房屋設計圖及效果圖
占地:120平方米
推薦:10套新農村自建房設計圖,2026年最新設計
閱讀次數:4825737次
100套鄉村別墅圖片大全,2026年最新設計
閱讀次數:2492203次
6款農村蓋一層平房的設計圖,10萬元就能建起來
閱讀次數:1852637次
這11個一層農村自建房別墅火爆了朋友圈!我最喜歡戶型十!你呢
閱讀次數:750268次
農村6萬元建一層小別墅圖,你敢相信嗎
閱讀次數:567686次
農村5萬塊就能自建房,6套普通房子設計圖分享,你沒看錯!
閱讀次數:419410次
8套農村漂亮三間平房圖片,非常適合在農村修建!
閱讀次數:411197次
農村自建房化糞池怎么做?附方案及施工過程
閱讀次數:391783次
農村一層三間平房設計圖,告別土氣養老房,讓人忍不住點贊
閱讀次數:350581次
新農村二層樓房圖片造價12萬,挑一套回家建房吧!
閱讀次數:349126次
