
|
很多朋友常年不在家,心里一直記掛著父母,想要改善老家的居住環境,這樣的情況下,可以選擇蓋個一層自建房,實用又經濟。下面推薦的這套自建房,一層平屋頂設計,內部有3間臥室,偶爾回家也是有房間可以居住,還可以將整個屋面作為曬臺使用,很符合農村生活習慣,主體造價只要9萬,趕緊回村蓋一套。
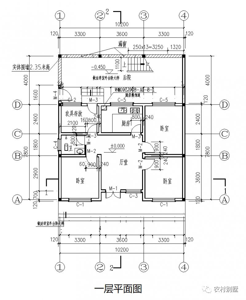
開間:10.2米 進深:11.8米 占地面積:79.56平方米 后院面積:40.8平方米 建筑層數:一層 建筑高度:6.1米(含屋頂) 屋頂形式:平屋頂 建筑結構:磚混結構 主體造價:9萬(僅供參考)
▲圖片編號:18081701
本戶型是農村一層平屋頂自建房,整個外墻以淺灰白色真石漆為主,簡潔淡雅,造型簡單施工容易,屋頂能觀賞美景,晾曬東西,實用性比較高,造價也才9萬,很適合北方的朋友回農村建一棟給父母養老用。
一層:廳堂、臥室、衛生間、廚房、農具存放間、后院、樓梯。進門是農村常見的大堂屋,可以客廳餐廳兩用,節省空間;3間臥室,滿足一般家庭的居住需求;農具間通往后院,方便進行農活。
屋頂:屋面、后院上空。平屋頂的房子,可以將整個屋面作為曬臺,晾曬衣物和食物,非常實用。 圖紙之家-專注農村別墅/自建房設計18年,集合國內200余位經驗豐富的設計師,被評為口碑最好的農村建筑設計公司! |

高顏值農村二層別墅設計圖,顏值在線造價不高,建房好選擇!
占地:216.93平方米
2026二層農村新款別墅新式二層樓房設計圖,非常時尚
占地:多種戶型
新款農村三拼三戶別墅設計圖及效果圖三層戶型,外觀靚麗新穎
占地:360平方米
陽臺封閉的簡約實用二層別墅設計圖,15x12.8米
占地:165平方米
簡單大方四間二層小樓房設計圖,帶車庫,帶大露臺
占地:180平方米
120平米左右農村房屋設計圖占地面積適宜,外觀舒適大氣
占地:120平方米
好看又簡單的二層小樓設計圖,農村自建20萬元左右
占地:130平方米
最漂亮五間一層自建別墅設計圖,布局實用顏值高!
占地:多戶型可選
面寬13米方正戶型二層小別墅設計方案,南北通透采光好
占地:166.78平方米
最新款二層半別墅圖片,占地115平米左右,帶地下室,帶露臺
占地:115平方米
農村二間二層小別墅設計方案,精而美的經典樣式不容錯過
占地:115.32平方米
獨棟小別墅設計圖,造價30萬左右的獨棟小別墅設計推薦
占地:150平方米
新中式一層合院別墅圖,15米×15.8米,主體造價低至15萬
占地:183.08平方米
30萬以下的經典二層新農村別墅設計圖紙及效果圖,簡單大氣
占地:170平方米
南方新農村三層別墅設計圖紙,含效果圖,帶車庫
占地:120平方米
農村二層帶閣樓四間別墅設計圖,外觀美觀,戶型實用
占地:175平方米
農村自建二層半樓房效果圖,美觀大氣布局合理,很適合農村人自
占地:160.11平方米
大開間小進深的一層別墅設計圖,進深僅8.7米,獨立餐廚照樣美觀
占地:130.32平方米
面寬不到8米的農村二層半別墅建筑圖紙及效果圖
占地:96平方米左右
30萬預算三層別墅設計圖紙及效果圖,新農村自建推薦
占地:110平方米
推薦:10套新農村自建房設計圖,2026年最新設計
閱讀次數:4825737次
100套鄉村別墅圖片大全,2026年最新設計
閱讀次數:2492203次
6款農村蓋一層平房的設計圖,10萬元就能建起來
閱讀次數:1852637次
這11個一層農村自建房別墅火爆了朋友圈!我最喜歡戶型十!你呢
閱讀次數:750268次
農村6萬元建一層小別墅圖,你敢相信嗎
閱讀次數:567686次
農村5萬塊就能自建房,6套普通房子設計圖分享,你沒看錯!
閱讀次數:419410次
8套農村漂亮三間平房圖片,非常適合在農村修建!
閱讀次數:411197次
農村自建房化糞池怎么做?附方案及施工過程
閱讀次數:391783次
農村一層三間平房設計圖,告別土氣養老房,讓人忍不住點贊
閱讀次數:350581次
新農村二層樓房圖片造價12萬,挑一套回家建房吧!
閱讀次數:349126次
