
|
隨著農村生活的多樣化,住房剛需也帶有了商業性,臨街建房那肯定要設計一棟帶商鋪的農村別墅,這么好的資源可不能浪費,商住兩用的設計在村里很常見,但不是所有人都能享受到宅地臨街的便利性。所以那些宅基地靠近馬路并且人流量還大的家庭,蓋一棟商住兩用房最合適不過了。 那帶商鋪的別墅該如何設計呢?下面這套帶商鋪四層別墅戶型,8米的小面寬,15.5米的大進深,一層門面,二三四層住房,就非常的不錯,充分了發揮了其功能性,大家可以參考一下。
考慮到一側面有鄰居,該側面就沒設有窗戶,多個弧形外挑陽臺非常好看,樓頂前后兩個大露臺,晾曬、休閑的好地方。綠色玻璃窗戶非常應景,與自然周圍環境相協調。
層數:四層 結構形式:磚混結構 主體造價:36萬 別墅高度:15.39米 開間:8米 進深:15.5米 占地面積:129.7平方米 總建筑面積:430.8平方米
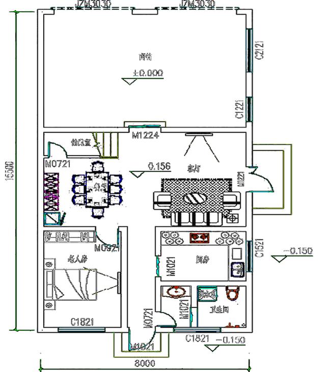
室內平面布局圖:
一層平面圖 一層:商鋪、客廳、廚房、餐廳、老人房、衛生間
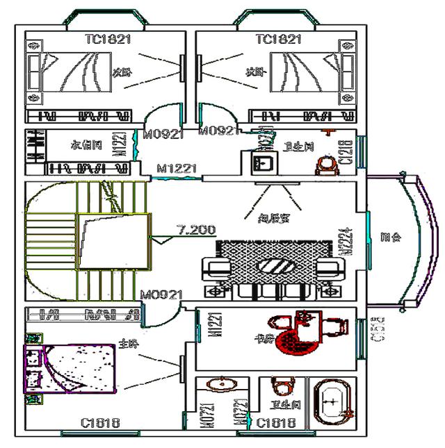
二層平面圖 二層:起居室、3臥室、健身娛樂室、衣帽間、衛生間
三層平面圖 三層:起居室、2臥室、臥室(帶書房、衣帽間、內衛)、衛生間
四層平面圖 四層:臥室 圖紙之家-專注農村別墅/自建房設計18年,集合國內200余位經驗豐富的設計師,被評為口碑最好的農村建筑設計公司! |

中式兄弟雙拼別墅設計圖紙,類似合院造型,美爆了
占地:221.9平方米
戶型簡單實用的三層農村房屋設計圖紙,復式結構,大面積開窗,
占地:170平方米
130平新農村二層住宅設計圖,外觀精致、漂亮
占地:130平方米
農村2開間三層經濟別墅設計圖,9.6米面寬,實用布局
占地:127.68平方米
農村二層半雙拼別墅設計圖,客廳中空,帶大露臺
占地:270平方米
140平方米兩層別墅CAD設計圖紙及效果圖,13x11米
占地:138平方米
120平方米農村四層別墅施工設計圖紙及效果圖
占地:120平方米
農村二層半別墅設計圖,簡單實用,造價低
占地:140平方米
鄉村高檔四層豪華別墅自建房設計圖,一層不帶餐廳廚房戶型
占地:147平方米
農村2026新式三間二層樓房,12×11.6米,戶型經典,造價實惠
占地:120平方米
130平方米歐式實用農村二層樓別墅圖紙帶外觀圖12X13米
占地:132平方米
農村二層帶閣樓四間別墅設計圖,外觀美觀,戶型實用
占地:175平方米
簡單漂亮實用的三層自建房設計圖,帶露臺,占地170平方米
占地:170平方米
最新高端四層別墅外觀效果圖及全套設計圖,真土豪就這樣建
占地:174.08平方米
面寬14.5米三層獨棟別墅設計圖,經典設計,大氣之作
占地:123.85平方米
鄉下三層大氣房子設計圖,外觀挺高大上的,主體29萬多
占地:132.48平方米
開間13米左右新農村2層自建房別墅戶型設計圖,簡潔實用
占地:170平方米
巴洛克風格別墅設計圖紙及效果圖,農村建一棟想低調都難
占地:256平方米左右
農村17萬元一層自建別墅設計圖,外觀簡潔,戶型方正
占地:163平方米
三層兄弟雙拼別墅設計圖,外觀大氣漂亮,顏色搭配協調,一層為
占地:270平方米
推薦:10套新農村自建房設計圖,2026年最新設計
閱讀次數:4825737次
100套鄉村別墅圖片大全,2026年最新設計
閱讀次數:2492203次
6款農村蓋一層平房的設計圖,10萬元就能建起來
閱讀次數:1852637次
這11個一層農村自建房別墅火爆了朋友圈!我最喜歡戶型十!你呢
閱讀次數:750268次
農村6萬元建一層小別墅圖,你敢相信嗎
閱讀次數:567686次
農村5萬塊就能自建房,6套普通房子設計圖分享,你沒看錯!
閱讀次數:419410次
8套農村漂亮三間平房圖片,非常適合在農村修建!
閱讀次數:411197次
農村自建房化糞池怎么做?附方案及施工過程
閱讀次數:391783次
農村一層三間平房設計圖,告別土氣養老房,讓人忍不住點贊
閱讀次數:350581次
新農村二層樓房圖片造價12萬,挑一套回家建房吧!
閱讀次數:349126次
