
別墅圖紙一:占地80平一層鄉(xiāng)村別墅設計圖,平屋頂預留樓梯,造價僅7萬
![]() 別墅效果圖
圖紙介紹:占地80平一層鄉(xiāng)村別墅設計圖,平屋頂自建房圖紙,預留樓梯,以后可以加蓋二層,造價僅7萬!墻體采用大面積的米白色外墻磚搭配黃色文化石,以及藍色屋面瓦,整體配色素凈淡雅。建筑周邊綠植的點綴,大大提升了空間品質,為業(yè)主打造出了自然舒適的生活環(huán)境。室內布局也很實用,兩 占地面積:10.6m*7.9.m,79.478平方米左右; 建筑層高:一層; 建筑高度:6.17米(含屋頂); 設計功能: 一層戶型:客廳、廚房、餐廳、臥室x2、衛(wèi)生間、儲藏間(也可以預留樓梯口,后期加建); ![]() 別墅戶型圖
別墅圖紙二:80平方米二層房屋設計圖,造價10萬左右![]() 別墅效果圖
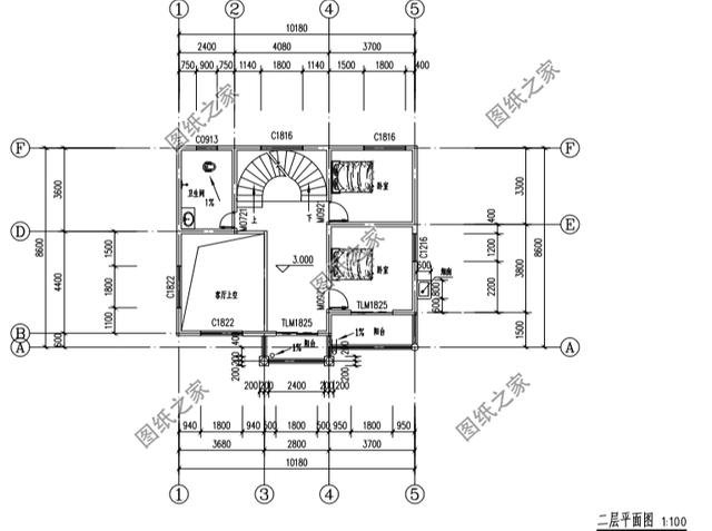
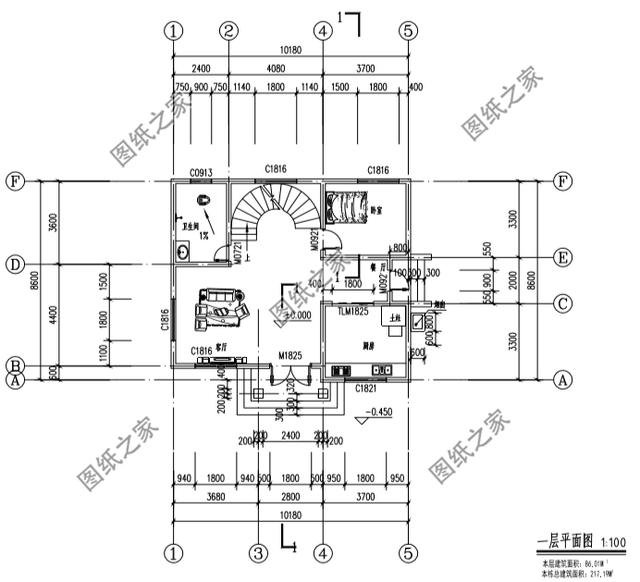
圖紙介紹:80平方米二層房屋設計圖,造價10萬左右,本套圖紙的布局緊湊,空間利用率高,別墅外觀小而美,富有田園氣息。 占地面積:9.0m*9.8m,80平方米左右; 建筑層高:二層; 建筑高度:9.4米(含屋頂); 設計功能: 一層戶型:客廳、餐廳、廚房、衛(wèi)生間; 二層戶型:臥室x3、衛(wèi)生間、露臺; ![]()
![]() 別墅戶型圖
別墅圖紙三:80平方米新農村二層房屋設計圖紙,造價15萬左右
![]() 別墅效果圖
圖紙介紹:經濟實用新農村二層房屋設計圖紙,占地80平米,造價15萬左右,房子不一定要建的那么豪華,也不需要過于追求獨特,更不用去為了面子折騰自己。與周圍環(huán)境相諧,大氣、簡約就好,更重要的是一家人在一起住著舒適,家庭和睦! 占地面積:11.2m*7.0m,80平方米左右; 建筑層高:二層; 建筑高度:8.6米(含屋頂); 設計功能: 一層戶型:客廳、餐廳、廚房、衛(wèi)生間、臥室; 二層戶型:臥室(帶露臺)x2、衛(wèi)生間; ![]() ![]() 別墅戶型圖
別墅圖紙四:農村小戶型三層別墅設計圖,平屋頂,造價20萬左右
![]() 別墅效果圖
圖紙介紹:農村小戶型三層別墅設計圖,平屋頂,造價20萬左右。雖然占地面積小,但是戶型布局一點也不擁擠,適宜居住。紅色波形瓦,高低錯落,外觀、造型簡潔大方。 占地面積:10.1m*8.6m,一層占地86平方米左右; 建筑層高:三層; 建筑高度:10.5米(含屋頂); 設計功能: 一 層:客廳、廚房、餐廳、臥室、衛(wèi)生間; 二 層:客廳上空、臥室x2、衛(wèi)生間、陽臺; 三 層:臥室x2、衛(wèi)生間、大露臺; ![]() ![]() ![]() 別墅戶型圖
以上就是鄉(xiāng)下80平方房設計圖,喜歡哪款,歡迎下方留言。
圖紙之家-專注農村別墅/自建房設計18年,集合國內200余位經驗豐富的設計師,被評為口碑最好的農村建筑設計公司! |

新中式二層雙拼別墅農村自建房子設計圖紙,面寬19米
占地:240平方米左右,單
復式挑空二層別墅設計圖,占地175平米,建好住著很舒適
占地:175.44平方米
最新小別墅設計圖,復式三層,外觀非常漂亮
占地:158平方米
二層雙拼別墅外觀效果圖及施工圖,帶露臺,14乘12米
占地:168平方米
中式復古四層別墅房屋設計圖紙,含外觀效果圖
占地:90平方米
面寬8米多的三層農村別墅設計圖,小開間宅基地推薦
占地:112.82平方米
鄉(xiāng)村兩層半別墅設計圖,一層160平,主體30萬左右
占地:168平方米左右
中式徽派二層農村別墅設計圖,白墻黛瓦馬頭墻,永不過時
占地:171平方米
150平方米的新農村自建三層小別墅設計施工圖紙及效果圖
占地:150平方米
兄弟四間三層雙拼別墅設計圖,造價40萬左右
占地:210平方米
140平二層帶閣樓別墅設計方案圖,外觀圖片色彩明快
占地:140平方米
兩層三間農村自建房圖,125平有7間臥室,全家人都能住得下
占地:125.34平方米
農村16萬一層平房小院設計圖,左右對稱布局好,南北方都能建
占地:195.9平方米
帶車庫,帶露臺的三層復式樓房設計圖,新農村房屋方案推薦
占地:140平方米
二層農村兄弟雙拼別墅設計圖,一墻之隔互不干擾,鄰居看了都喜
占地:164.24平方米
小型四合院二層別墅設計圖方案,對稱設計,頂層大露臺
占地:114平方米
農村120平米兩層樓的房子設計圖,外觀新穎
占地:120平方米
200平米二層自建房別墅設計圖,外觀漂亮布局實用
占地:207.09平方米
農村帶車庫兩層歐式農村別墅設計圖紙,占地220平方米左右
占地:221平方米
村里三層新中式風自建別墅圖,對稱設計,氣派好看
占地:135.3平方米
推薦:10套新農村自建房設計圖,2026年最新設計
閱讀次數:4825737次
100套鄉(xiāng)村別墅圖片大全,2026年最新設計
閱讀次數:2492203次
6款農村蓋一層平房的設計圖,10萬元就能建起來
閱讀次數:1852637次
這11個一層農村自建房別墅火爆了朋友圈!我最喜歡戶型十!你呢
閱讀次數:750268次
農村6萬元建一層小別墅圖,你敢相信嗎
閱讀次數:567686次
農村5萬塊就能自建房,6套普通房子設計圖分享,你沒看錯!
閱讀次數:419410次
8套農村漂亮三間平房圖片,非常適合在農村修建!
閱讀次數:411197次
農村自建房化糞池怎么做?附方案及施工過程
閱讀次數:391783次
農村一層三間平房設計圖,告別土氣養(yǎng)老房,讓人忍不住點贊
閱讀次數:350581次
新農村二層樓房圖片造價12萬,挑一套回家建房吧!
閱讀次數:349126次
