
|
很多朋友都問過我,有沒有造價15萬左右的別墅呢,答案是當然有,而且各種戶型的都有,喜歡幾層就可以建幾層。今天小編推薦的這三款農村15萬左右自建房設計圖,造價經濟實惠,施工簡單,拿到圖紙就可以建,建好的房子絕對的好看大氣,讓村里人都羨慕,不知道大家更喜歡幾層的戶型呢,要建房的朋友們可以參考。
戶型一:占地140平方米一層平房設計圖,四間臥室設計
![]() ![]() ![]() ![]() 圖紙介紹:本戶型占地140平方米左右,造價15萬,戶型實用,外觀配色適合農村自建,漂亮、精致,兩廳兩衛四室絕對夠用。 占地面積:13.5m*9.9m,建筑面積140平方米左右; 建筑層高:一層; 建筑高度:4.54米(含屋頂); 設計功能: 一層設計:客廳、餐廳、廚房、衛生間、臥室x4(其中1個臥室帶衛生間);
戶型二:農村兩間兩層樓房設計圖,造價15萬左右
![]() ![]() ![]() ![]() 圖紙介紹:本戶型占地96平方米,造價15萬左右,獨立的廚房設計,干凈衛生,二層屋頂設計為一個大的露臺,外觀非常的時尚,造價經濟實惠。 占地面積:12.2m*10.1m,96平方米左右; 建筑層高:二層; 建筑高度:9.9米(含屋頂); 設計功能: 一層戶型:客廳、餐廳、廚房、衛生間、臥室×2; 二層戶型:客廳、臥室x3、衛生間、陽臺x2;
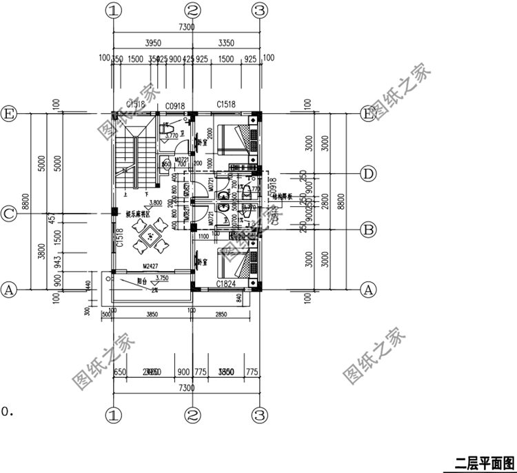
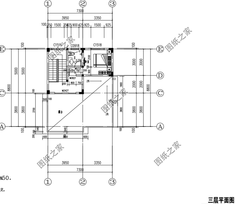
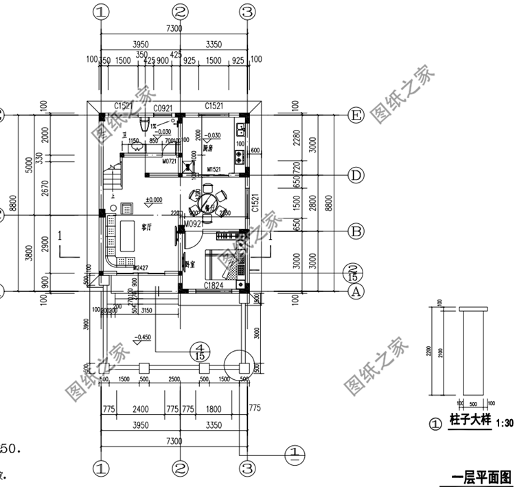
戶型三:農村三層自建別墅設計圖,主體造價15萬左右
![]() ![]() ![]() ![]() 圖紙介紹:本戶型占地60多平米,主體造價15萬左右,布局合理,別墅采用的是平屋頂的設計,節約造價成本,也符合對層高有要求的業主需求。 占地面積:7.3m*8.8m,一層占地63平方米左右; 建筑層高:三層; 建筑高度:11.1米(含屋頂); 設計功能: 一 層:客廳、廚房、餐廳、臥室、衛生間; 二 層:娛樂區、臥室(帶衛生間)×2、衛生間、陽臺; 三 層:臥室(帶衛生間)、大露臺; 這三套別墅各有自己的優點,就看大家喜歡什么樣款式的啦。
圖紙之家-專注農村別墅/自建房設計18年,集合國內200余位經驗豐富的設計師,被評為口碑最好的農村建筑設計公司! |

18米寬一層中式小院設計圖,三合院戶型布局寬敞大氣
占地:232.75平方米
10米×12米30萬以內農村建房三層豪華歐式別墅圖,處處顯品味
占地:120平方米
田園風格別墅設計圖及外觀圖片,樓中樓結構
占地:140平方米
帶車庫二層165平別墅房屋設計圖,含效果圖
占地:165平方米
農村自建三層別墅設計圖,開間17米進深13米,外觀對稱設計
占地:187.6平方米
130平方米新農村自建三層別墅設計施工圖,13x11米
占地:130平方米
造型新穎漂亮的農村二層現代風別墅設計圖,老少皆宜的外觀
占地:144.54平方米
五開間一層農村平房設計圖,200平米大戶型,五間臥房足夠用了
占地:200.7平方米
三層獨棟別墅設計圖紙帶效果圖,全套施工方案(建筑圖+結構圖
占地:144平方米
簡約而不簡單的二層新中式鄉墅設計圖,占地150平左右
占地:150.78平方米
農村二層帶電梯別墅設計圖,歐式風格,避免老人上下樓的麻煩
占地:179.94平方米
160平方米農村三層小別墅設計圖紙,13.8x12.7米
占地:163平方米
開間12米的三層簡歐別墅設計圖,農村建房布局實用住的舒服
占地:108.15平方米
三層別墅40萬左右氣派的外觀效果圖,含全套施工設計圖
占地:161.46平方米
鄉下建房一層平房設計圖紙及戶型圖,占地150平米左右
占地:150平方米
180平方米新農村雙拼戶型別墅房屋設計圖紙帶外觀圖17X11米
占地:180平方米
二層樓房設計圖,占地120平米左右,符合現代農村的建房政策
占地:120平方米
新中式一層別墅設計圖紙,農村自建平房戶型方案圖
占地:183.7平方
帶電梯農村建房三層小洋樓,樓中樓結構,帶露臺
占地:110平方米
自建帶電梯的三層豪華別墅設計圖,建好有面子,面寬16米
占地:194平方米左右
推薦:10套新農村自建房設計圖,2026年最新設計
閱讀次數:4825737次
100套鄉村別墅圖片大全,2026年最新設計
閱讀次數:2492203次
6款農村蓋一層平房的設計圖,10萬元就能建起來
閱讀次數:1852637次
這11個一層農村自建房別墅火爆了朋友圈!我最喜歡戶型十!你呢
閱讀次數:750268次
農村6萬元建一層小別墅圖,你敢相信嗎
閱讀次數:567686次
農村5萬塊就能自建房,6套普通房子設計圖分享,你沒看錯!
閱讀次數:419410次
8套農村漂亮三間平房圖片,非常適合在農村修建!
閱讀次數:411197次
農村自建房化糞池怎么做?附方案及施工過程
閱讀次數:391783次
農村一層三間平房設計圖,告別土氣養老房,讓人忍不住點贊
閱讀次數:350581次
新農村二層樓房圖片造價12萬,挑一套回家建房吧!
閱讀次數:349126次
