圖紙預覽及簡介:[僅是局部效果預覽,詳細圖紙請下載附件查看]
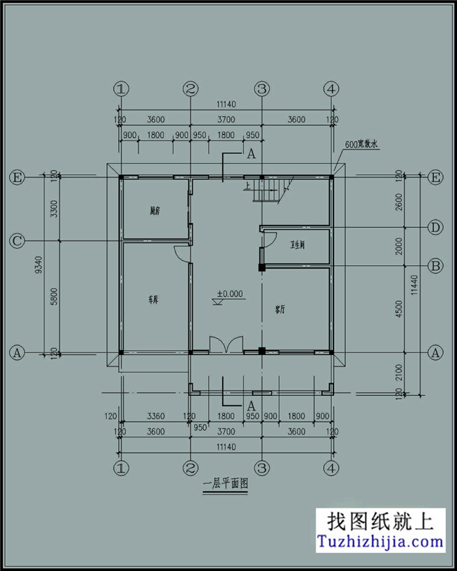
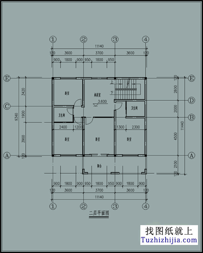
建筑占地面積:11.14米×11.44米;
建筑層數:三層;
占地面積:120平方米,
建筑面積:311平方米;
建筑高度::10米(不含屋頂);
屋頂形式:坡屋頂;
設計功能:
一層:客廳、衛生間、樓梯間、車庫、廚房;
二層:樓梯間、起居室、臥室(附衛生間)、臥室、臥室、衛生間、臥室、陽臺;
三層:樓梯間、活動室、臥室、露臺、衛生間;
圖紙目錄:
建筑設計說明、結構設計說明、一層平面圖、二層平面圖、三層平面圖、屋面平面圖、北立面圖、南立面圖、西立面圖、A-A剖面圖、基礎平面圖、三層梁平法施工圖、三層板平法施工圖、屋頂梁平法施工圖、基礎平面圖、屋頂板平法施工圖、二層梁平法施工圖、二層板平法施工圖、樓梯剖面圖;

































































































