建筑層數:三層;
建筑占地面積:9.7㎡*9.5㎡=90平方米;
建筑面積:225平方米
造價預算:18萬;
建筑高度:11.8米(含屋頂)坡屋頂;
設計功能:
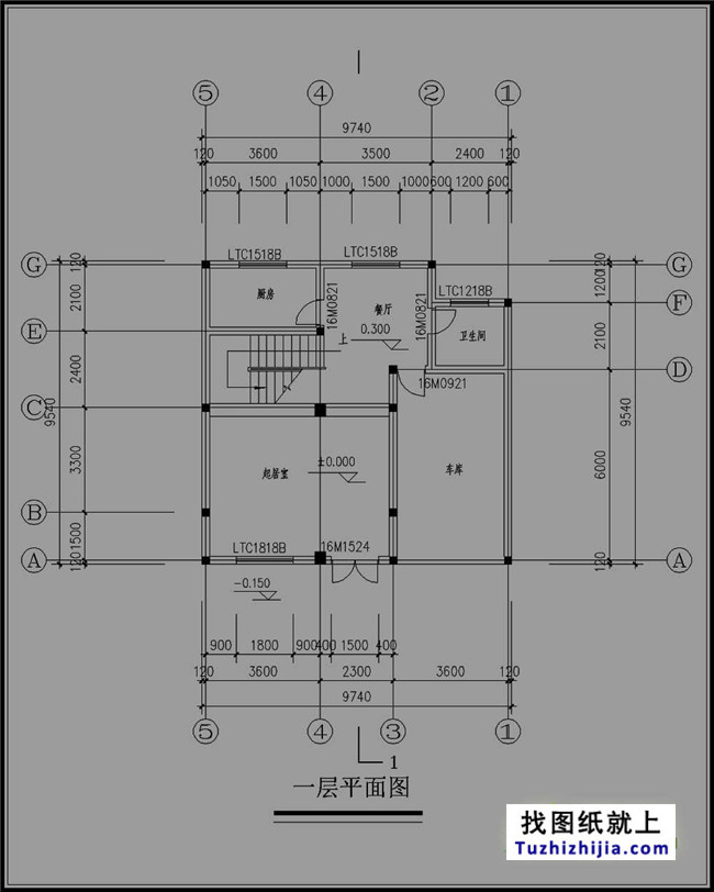
一層:起居室、車庫、廚房、餐廳、衛生間;
二層:2間臥室、衛生間、衣柜、廚房、餐廳;
三層:臥室、露臺、衣柜、衛生間、餐廳、廚房;
圖紙目錄:
施工圖(建施圖、結施圖、水施圖、電施圖)共40張,效果圖1張。
建施圖指(建筑說明、每層平面圖、各面立面施工圖、以及剖面圖、門窗、節點詳圖等)9張
結施圖指(結構說明、基礎圖、柱配筋、板配筋、梁配筋等與鋼筋結構有關的圖紙)12張
水施圖指(水路說明、給水系統、排水系統、給排水詳細布置等)7張
電施圖指(電路說明、電路系統、強弱電位置/線路布置、燈控照明、防雷系統等)12張
本工程為磚混結構,安全等級二級,設計使用年限為50年,耐火等級二級,

































































































