
|
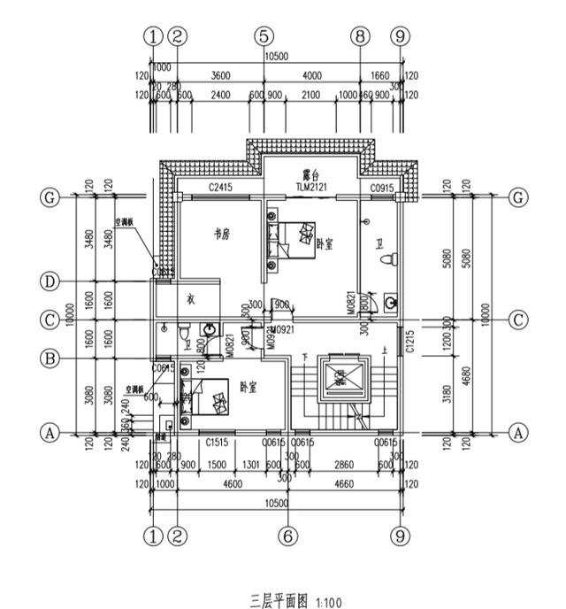
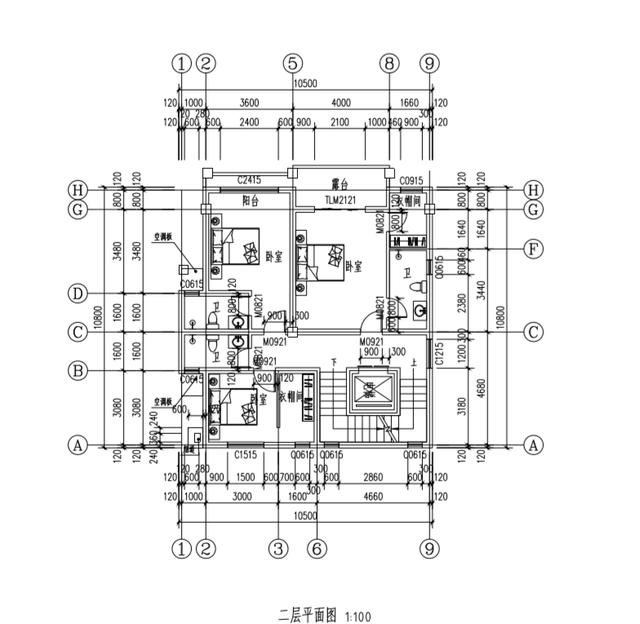
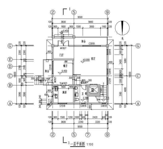
近年來,城市生活壓力太大,很多人喜歡在有空時的時候,看看一些關于農村博主拍攝的鄉村生活視頻,即使都是一些家長里短,但看完感覺很解壓,因而越來越多人開始向往這種慢節奏的農村生活。如果自身條件允許的話,可以在老家蓋一棟別墅,不論是現在還是將來,都會有它的用武之地! 今天我們就一起看看下面三款三層半自建別墅圖吧!還有戶型圖喲! 第一款:歐式三層半別墅設計圖以及戶型圖![]() 這款鄉村三層半別墅設計圖紙,墻面裝飾有用到少量的淺黃色文化石,還有大面積的米黃色真石漆裝飾,屋頂用磚紅色琉璃瓦,背面鑲嵌有多個窗戶,加強室內采光,窗戶之間可用浮雕裝飾,能加強美觀性。多邊形窗的使用,同樣能加強造型的立體感,且室內采光更好,大門處的門廳設計很重要,配以方形很大氣。屋面的俯瞰效果,同樣很讓人心動,尤其是搭配涼亭,效果更好。 占地面積:13m*15.8m,185.04平方米左右 建筑層高:三層半 建筑高度:16.144米(含屋頂) 設計功能: 一層戶型:玄關、客廳、廚房、餐廳、茶室(棋牌室)、臥室(帶衣帽間)、衛生間 二層戶型:客廳、書房、臥室(帶衛生間)、臥室x3、衛生間、陽臺 三層戶型:客廳、書房、臥室(帶衛生間)、臥室x3、衛生間、陽臺 四層戶型:書房、臥室x2、衛生間、露臺、涼亭
![]() ![]() ![]() ![]() 第二款:簡單實用農村三層半自建房設計圖以及戶型圖![]() ![]() ![]() 小戶型簡單實用農村自建四層小別墅設計圖,帶電梯,二層以上設置房間都為套間,大大的提升業主的生活品質,方便業主生活使用。外觀清新亮麗,難得的一套別墅圖紙。 占地面積:9.5m*10.0m,95平方米左右 建筑層高:三層半 建筑高度:12.7米(含屋頂) 設計功能: 一層戶型展示:客廳、餐廳、廚房、衛生間、電梯 二層戶型展示:臥室(帶衛生間、衣帽間、露臺)、臥室(帶衛生間)、臥室(帶衣帽間)、衛生間 三層戶型展示:臥室(帶書房、衣帽間、露臺、衛生間)、臥室(帶衛生間) 四層戶型展示:多功能室、衛生間、大露臺
![]() ![]() ![]() ![]() 第三款:現代式三層半別墅設計圖以及平面戶型圖![]() 三層現代別墅設計圖方案,帶電梯和地下室的設計,生活不要太享受!清新時尚的外觀,通透明亮的體態,層次分明的造型,給人以深刻的印象,清新自然撲面而來,讓人賞心悅目,墻體依然是大理石涂料,真的太有美感了,比起傳統的貼瓷磚,不是一個檔次,灰白色調搭配,優雅迷人,時尚生活隨心暢享,在鄉下也能體會城市生活的感覺。 占地面積:10.64m*9.94m,134.75平方米左右 建筑層高:三層半 建筑高度:13.15米(含屋頂) 功能: 地下室戶型:車庫、儲藏室; 一層戶型:客廳、餐廳、廚房、臥室(帶衣帽間)、衛生間 二層戶型:書房、娛樂區、臥室(帶衛生間、衣帽間)、臥室(帶衛生間)、陽臺 三層戶型:臥室(帶衛生間、衣帽間)、臥室(帶衛生間)、露臺 ![]() ![]() ![]() 在城市里買房,不如在家鄉建房,抓住趨勢是關鍵。今天的分享就到這里了,有你喜歡的嗎?可以告訴我哦!
圖紙之家-專注農村別墅/自建房設計18年,集合國內200余位經驗豐富的設計師,被評為口碑最好的農村建筑設計公司! |

兩間二層農村自建房設計圖,面積雖小功能齊全,布局緊湊。
占地:118.75平方米
大氣、簡約三層雙拼別墅設計圖,適合和父母同住,既相互關照又
占地:260平方米
二層門面房自建小樓設計圖紙及效果圖,占地150平
占地:151.83平方米
農村小型四合院設計效果圖及施工圖,傳統中式,四面建房
占地:220平方米
四層雙拼豪華別墅設計圖及外觀效果圖,貴族氣質爆棚
占地:188.5平方米
260平方米歐式四層別墅設計圖20X18米,造價108萬
占地:260平方米
大面寬一層別墅設計圖紙,新中式風格兩款戶型
占地:多戶型可選
二層帶地下室樓房設計方案,效果圖+全套施工圖
占地:160平方米
平屋頂四間一層農村自建房設計圖紙,經濟時尚
占地:144平方米
復式三層雙拼別墅設計圖,客廳中空,旋轉樓梯
占地:350平方米
一層半中式合院別墅設計圖,帶配房,有庭有院有品位
占地:135平方米左右
大氣自建三層雙拼別墅戶型圖方案,完美的戶型就是它
占地:287平方米
150平米一層7字型別墅設計方案,功能齊全舒適簡約,設計感十足
占地:154.48平方米
農村二層住宅別墅設計圖,貼心實用,12.8米乘14.5米
占地:156.16平方米
140平方米農村三層復式房屋設計施工圖,開放式廚房
占地:143平方米
農村簡單雙拼小戶型,總面積190平方米,合理的利用了每一個空間
占地:190平方米
110平方米農村三層自建房設計圖紙帶外觀圖
占地:110平方米
一層4間自建平房別墅及全套戶型圖紙,占地160平左右,簡單實用
占地:162.13平方米
人氣最旺的二層半別墅設計圖紙,復式挑空二層半自建房
占地:122.679平方米
復式別墅新農村二層房屋設計圖紙,屋頂錯落有致
占地:多戶型可選
推薦:10套新農村自建房設計圖,2026年最新設計
閱讀次數:4825737次
100套鄉村別墅圖片大全,2026年最新設計
閱讀次數:2492203次
6款農村蓋一層平房的設計圖,10萬元就能建起來
閱讀次數:1852637次
這11個一層農村自建房別墅火爆了朋友圈!我最喜歡戶型十!你呢
閱讀次數:750268次
農村6萬元建一層小別墅圖,你敢相信嗎
閱讀次數:567686次
農村5萬塊就能自建房,6套普通房子設計圖分享,你沒看錯!
閱讀次數:419410次
8套農村漂亮三間平房圖片,非常適合在農村修建!
閱讀次數:411197次
農村自建房化糞池怎么做?附方案及施工過程
閱讀次數:391783次
農村一層三間平房設計圖,告別土氣養老房,讓人忍不住點贊
閱讀次數:350581次
新農村二層樓房圖片造價12萬,挑一套回家建房吧!
閱讀次數:349126次
