
|
房東們在選擇平頂還是坡頂時會考慮很多,不知道選擇哪個好。其實這兩種方式各有各自的優缺點,只要選一款適合自己的,才是最好的,當然可能有的人覺得平屋頂沒有坡屋頂好看,這是審美方面的問題,只能是仁者見仁智者見智,但是實用性方面,平頂房寬敞實用的屋頂,絕對是坡屋頂沒有辦法企及的,總之選一款適合自己的才是最滿意的。 第一套:
該別墅設計尺寸:開間14米,進深13.5米,很方正的一套戶型,建筑面積190平方米,如果宅基地夠大,再來個小院,挖個游泳池,甭提有多完美了。
平面布局圖:該別墅共設計有三個臥室,其中一間是小套房,一個書房,客廳、廚房、餐廳和獨立衛生間; 第二套:
該別墅設計尺寸:開間13.84米,進深11.24米,占地面積151平方,建筑面積276平方,
該別墅設計有三個臥室,客廳、茶室、書房、衣帽間、餐廳、留有偏門的廚房以及頂層露臺。 第三套:
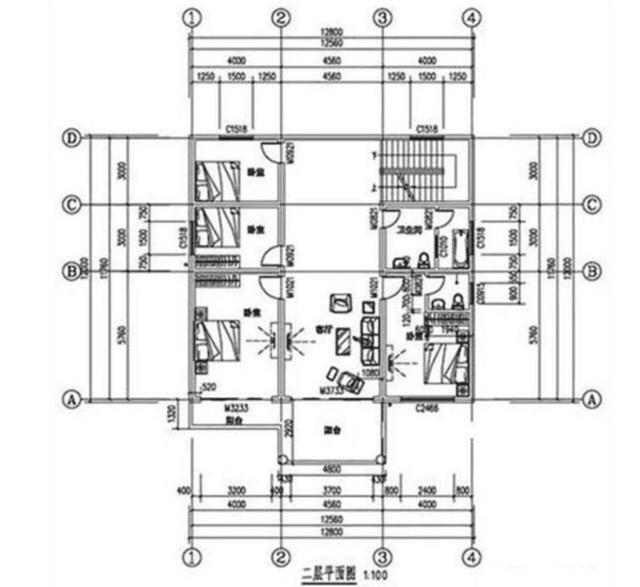
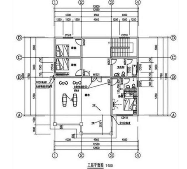
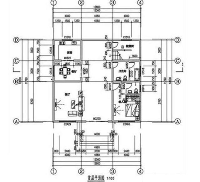
一款非常時尚的平頂房,羅馬柱直通二層,大氣又美觀,還得二樓增加了一個陽臺,雖然不是復式客廳,但是客廳窗型采用大落地結構,造型精致,建筑設計設計尺寸:開間12.56米,進深12米,入戶門寬度4米;細節尺寸參見平面布局圖;
平面布局圖: 設計功能:一層入戶是堂屋,左側是客廳,右側是一間套房,另有廚房、餐廳、儲藏室和衛生間;二層設計有帶陽臺的客廳,兩間大臥室,兩間小臥室,大臥室中一間帶陽臺、一間帶衛生間,兩間小臥室面積12平米,適合做兒童房;三層設計一間套房和兩間小臥室,已經室外的大露臺,當然不要忘記,還有屋頂的大片空間等著你去使用;
![]() 圖紙之家-專注農村別墅/自建房設計18年,集合國內200余位經驗豐富的設計師,被評為口碑最好的農村建筑設計公司! |

兩層半雙拼別墅設計方案,超大露臺+歐式風格,好設計別錯過!
占地:175.8平方米
豪華新中式兩層半農村別墅設計圖,繁華之外,心之所向
占地:290.4平方米
農村三層中式仿古別墅設計圖紙,中國風自建房戶型
占地:158.64平方米
歐式漂亮農村三層自建房設計圖紙,兩個戶型方案可選
占地:多戶型可選
新農村三拼別墅三戶連體別墅設計圖,設計新穎美觀
占地:380平方米
簡單實用的二層雙拼別墅設計圖,總占地150平米左右,雙拼房屋
占地:150平方米MB
帶庭院的農村一層別墅圖紙設計,外觀時尚好看
占地:多戶型可選
高端歐式四層別墅房屋施工圖紙及效果圖,圓弧大窗
占地:170平方米
160平方米現代新農村四合院兩層別墅施工圖紙及效果圖
占地:157平方米
二層半別墅設計圖,占地150平米,帶露臺,地中海風格,內部布局
占地:150平方米
農村三層帶車庫、帶露臺別墅設計圖,經典自建別墅設計方案
占地:160平方米
鄉村兩層半150平帶閣樓別墅房屋設計圖,客廳大、臥室多
占地:150平方米
簡約實用農村自建房戶型圖,美觀經濟又通透,南北通透住得爽!
占地:160.6平方米
美爆的三層經典復式別墅設計圖紙及效果圖,建好更漂亮
占地:130平方米左右
2026新款農村15萬元二層小樓圖,占地90平米左右
占地:多種戶型
現代風格建房圖紙二層別墅設計方案,外觀百看不厭
占地:多戶型可選
新式帶挑空客廳三層鄉村別墅設計圖,占地170平左右
占地:170平方米
農村4間2層樓房設計圖,帶車庫,外觀時尚,帶屋頂花園
占地:210平方米
對稱設計二層歐式別墅設計圖,優雅時尚有品位
占地:151.85平方米
二層樓房圖片及施工圖紙,占地160平米左右,帶車庫
占地:160平方米
推薦:10套新農村自建房設計圖,2026年最新設計
閱讀次數:4825737次
100套鄉村別墅圖片大全,2026年最新設計
閱讀次數:2492203次
6款農村蓋一層平房的設計圖,10萬元就能建起來
閱讀次數:1852637次
這11個一層農村自建房別墅火爆了朋友圈!我最喜歡戶型十!你呢
閱讀次數:750268次
農村6萬元建一層小別墅圖,你敢相信嗎
閱讀次數:567686次
農村5萬塊就能自建房,6套普通房子設計圖分享,你沒看錯!
閱讀次數:419410次
8套農村漂亮三間平房圖片,非常適合在農村修建!
閱讀次數:411197次
農村自建房化糞池怎么做?附方案及施工過程
閱讀次數:391783次
農村一層三間平房設計圖,告別土氣養老房,讓人忍不住點贊
閱讀次數:350581次
新農村二層樓房圖片造價12萬,挑一套回家建房吧!
閱讀次數:349126次
