圖紙預覽及簡介:[僅是局部效果預覽,詳細圖紙請下載附件查看]
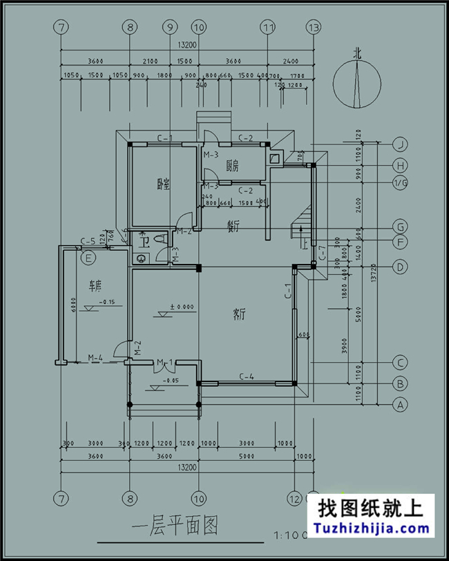
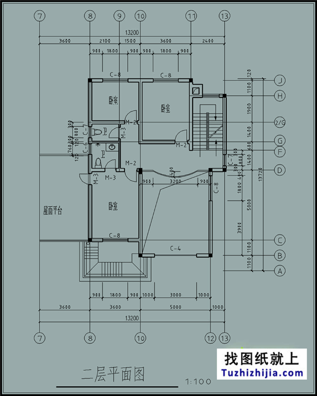
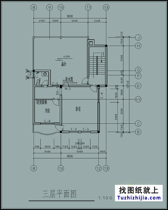
建筑占地面積:8.9米×10.14米;
建筑層數:三層;
建筑高度:10米(不含屋頂);
設計功能:
一層:客廳、衛生間、車庫、廚房、餐廳、樓梯間;
二層:樓梯間、起居室、臥室、衛生間、臥室、臥室(附陽臺);
三層:露臺、露臺、衛生間、樓梯間、臥室;
圖紙目錄:效果圖、建筑設計說明、一層平面圖、二層平面圖、三層平面圖、屋面平面圖、西立面圖、北立面圖、南立面圖、1-1剖面圖、基礎平面圖、結構設計說明、屋頂梁板平法施工圖、樓梯配筋圖、二層板平法施工圖、三層板平法施工圖、二層梁平法施工圖、三層梁平法施工圖;
1.本農村房屋設計通用圖結構體系為三層磚混結構,占地面積:90平方米,建筑面積:240平方米。
2.本工程所注一層室內地坪標高為正負0.000。
3.圖中所注尺寸除標高以米為單位,其余均以毫米為單位。
4.本設計不含二次裝修,二次裝修設計方案與設計單位協商確定后方可進行實施。
5.砌體材料均用燒結粘土空心磚。
6.窗臺高度不足900處, 在窗臺內側設防護欄桿,防護欄桿凈高1050mm,豎桿凈距≤110mm,樣式由甲方自定。
7.本工程建筑類別性質為三類民用建筑,設計安全等級為二級,建筑物耐火等級為二級,屋面防水等級為III級,抗震烈度少于6度,建筑設計使用年限為50年。
8.地面做法:20厚1:2水泥砂漿面,70厚C15素砼墊層,80厚卵石墊層,素土夯實。
9.散水做法:600寬60厚C15細石砼加漿隨搗隨抹(5%坡,)80厚卵石墊層,素土夯實。散水每隔6M設分倉縫,分倉縫之間,散水與墻體交接處均嵌油膏。
10:樓面做法:現澆板樓板上基層處理后,純漿套漿20厚1:3水泥砂漿隨搗隨抹。
11.衛生間做法:現澆鋼筋混凝土樓板,20厚1:2.5防水砂漿拉毛,花色瓷磚貼面。
12.天棚做法:板底基層處理后,15厚水泥紙筋灰分層抹平,2厚紙筋灰光面,106涂料刷白。
13.檐溝做法:分水線縱坡1% ,防水涂料,20厚1:2水泥砂漿摻5%防水劑,C15細石混凝土找坡。
14.門窗工程:門為膠合板門。窗均為鋁合金窗,采用銀灰色框、白色玻璃。
15.凡建筑室內陽角均設2000高、50寬、1:2水泥砂漿護角。



































































































