
|
隨著自建房被越來越多人所熟知,現在已經在更多的家庭當中建造了,也可以側面的表現出來,大家對于自建房的認可,它能夠為居住證帶來健康、舒適的環境,今天小編就帶大家看看自建房的一款別墅圖紙超市戶型,不管是外觀還是內部布局都很適合農村建房。我們趕緊來看看吧。 戶型效果圖
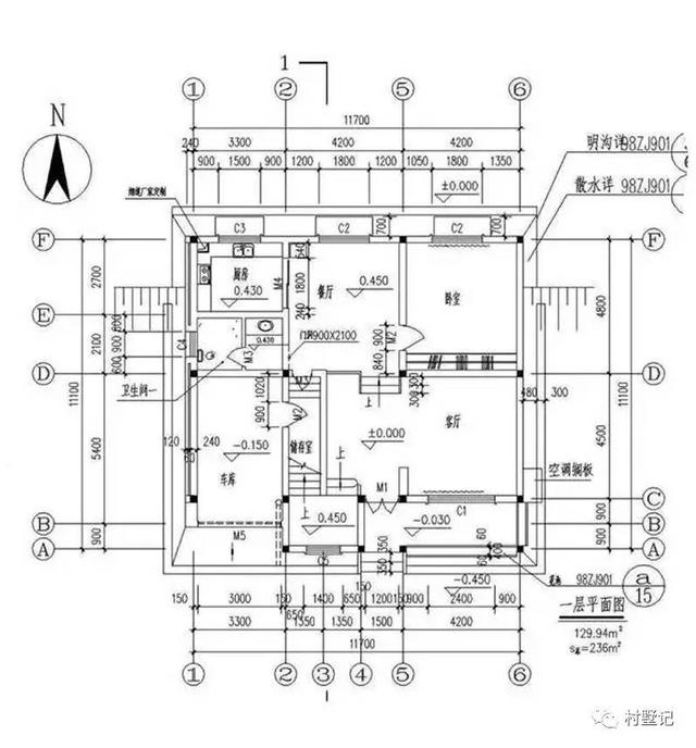
開間:11.7米,進深:11.1米 占地面積:129.24平方米 建筑面積:236平方米 磚混結構,參考造價20萬
鏡像圖 戶型平面圖
一層設有:車庫、客廳、餐廳、廚房、衛生間、臥室;空間布局十分合理,非常接地氣。 二層設有:主臥、陽臺、書房、衛生間、臥室、臥室、休閑廳、露臺。 都市生活越發繁雜紛擾,肩上的負擔也越發沉重,釋放壓力和追尋自由,家成為了最好的減壓場所。 在這里,沒有繁重的工作,沒有沉重的壓力,只有家的溫馨,家的寧靜。 轉載請注明出自別墅設計網:http://www.bjcyqiyejia.com/ 千套別墅設計帶別墅圖片 |

新款私人定制四層歐式獨棟住宅別墅設計圖紙,含外觀效果圖
占地:138平方米左右
125平方米新中式農村自建三層別墅建筑設計圖紙及效果圖
占地:124平方米
經濟型實用歐式一層小樓房別墅平房設計圖,11X10米
占地:103平方米
經典實用的新農村三層房屋設計圖紙,推薦自建使用
占地:165平方米
實用三層新農村住宅設計圖,鄉村別墅設計圖(含外觀效果圖)
占地:102.34平方米
新中式風格二層住宅設計圖,農村自建房不土氣
占地:144.5平方米
歐式二層別墅cad施工圖紙,含效果圖,歐式別墅設計圖紙展示
占地:189平方米
進深15米新農村三層房屋設計圖紙,農村住宅設計圖集
占地:128平方米
造價30萬左右的三層樓房設計圖,占地120平米左右
占地:120平方米
80平方米新農村二層房屋設計圖紙,造價15萬左右
占地:80平方米
農村4間2層樓房設計圖,帶車庫,外觀時尚,帶屋頂花園
占地:210平方米
鄉村一層房屋設計圖,養老還是一層好,多臥室的設計
占地:195平方米
帶商鋪挑高的三層別墅房屋設計圖,商鋪挑高,層高比較高
占地:118平方米
后面帶小院的農村房屋設計圖,適合鄉村自建
占地:300平方米
新農村自建三層復式結構房屋別墅設計圖紙及效果圖
占地:138平方米
農村15萬元二層小樓設計圖,造價低,簡潔、好看
占地:90平方米
開間8米的小戶型二層別墅設計圖,2開間占地不到60平
占地:56平方米左右
2021年最新三層房屋設計圖紙,12米×11米,實用接地氣
占地:130平方米
150平方米的新農村自建三層小別墅設計施工圖紙及效果圖
占地:150平方米
簡約精致的二層房子設計圖,農村自建經濟實用
占地:89.76平方米
11×10造價25萬帶神位平頂三層自建房設計圖
閱讀次數:29678次
2021年最流行的10套經典農村別墅,最愛那一套?
閱讀次數:25940次
進深8.5米,開間12米,帶堂屋的樓房設計圖怎么做?
閱讀次數:23817次
18萬搞定的農村二層別墅,詳細施工過程實拍!含別墅設計圖!
閱讀次數:17744次
5款帶落地窗的農村別墅,大氣的別墅就應該是這個樣子
閱讀次數:17217次
15套2017年最新潮二層農村別墅,這樣蓋既實用又上檔次!
閱讀次數:12834次
2021農村建的最多的2款二層小別墅戶型,爆款是有理由的
閱讀次數:11876次
農村自建房這樣預埋水電管,老師傅說規范又實用
閱讀次數:11471次
9X12米二層農村別墅,不超過規定面積還能有小院
閱讀次數:10618次
農村自建房打地基的費用是多少,需要注意哪些問題?
閱讀次數:10549次
